1. INTRODUCCIÓN
Es bien reconocido que uno de los retos asociados a la transición energética es la reducción en el número de máquinas sincrónicas conectadas a la red y el incremento en el número de tecnologías de generación utilizando convertidores electrónicos conectados a la red. La disminución de la cantidad de máquinas síncronas en el sistema de potencia genera una serie de dificultades, incluyendo la disminución en la capacidad de corrientes de falla, la limitación en la capacidad de potencia reactiva, la disminución en la robustez del sistema y la disminución en la inercia rotacional (Gonzalez-Longatt et al., 2019; Ortega & Milano, 2019).
La reducción de la inercia rotacional trae consigo una cantidad de problemas en el sistema de potencia tradicional, debido a que los fenómenos dinámicos comienzan a ser más rápidos. Esto es causado por menor energía cinética en las masas rotantes del lado de la generación para contrarrestar desbalances entre la generación y demanda. Si un desbalance es lo suficientemente grande al punto de superar la cantidad de reserva de generación, se tienen que tomar acciones correctivas para mantener la estabilidad de frecuencia del sistema (Adiyabazar et al., 2020). Una de las acciones correctivas que se toma es la activación de esquemas de disparo automático de carga (DAC) por baja frecuencia. Estos esquemas de emergencia en el control de la frecuencia tienen como objetivo balancear la generación con la demanda durante el evento de baja frecuencia mediante la desconexión de carga, evitando así la desconexión en cascada de la generación.
Un problema que puede ocurrir al tener mayor penetración de generación basada en convertidores electrónicos de potencia (llamados de aquí en adelante convertidores), es que, al tener dinámicas más rápidas, la activación de los esquemas DAC se vuelve más probable debido a que no se le está dando tiempo suficiente a la generación síncrona de actuar. Es reconocido en la literatura científica que los convertidores electrónicos de potencia, poseen una respuesta dinámica muchísima más rápida que la máquina síncrona (Rahmann & Castillo, 2014). En tal sentido, resulta atractivo el uso la capacidad rápida del convertidor electrónico de potencia para producir una respuesta similar a la del generador síncrono para ofrecer servicios que no han sido considerados en los sistemas de potencia tradicionales. Una manera popular para hacer esto, es la utilización de controles denominados formadores de red, o grid-forming, (Rosso et al., 2021) por su nombre en inglés (los autores utilizarán el nombre en inglés de aquí en adelante en este artículo). Estos controles dan la capacidad al convertidor a emular el comportamiento de una máquina síncrona, lo que permite dar una respuesta dinámica similar a las máquinas síncronas durante desbalances de generación/demanda, aumentando así la confiabilidad del sistema.
Otra manera para reducir la activación del DAC durante desbalances de carga-generación, es mediante un estudio detallado que logre optimización de los parámetros del DAC. Al optimizar los parámetros del DAC, se puede conseguir la mínima desconexión de la carga durante un evento de baja frecuencia al tiempo que satisface ciertas restricciones de operación del sistema de potencia (Adiyabazar et al., 2020).
En este trabajo de investigación, se propone una metodología general para optimizar simultáneamente los parámetros del DAC y de convertidores electrónicos de potencia equipado con control del tipo grid-forming para minimizar la desconexión de carga durante un evento mayor de baja frecuencia, al tiempo que se logra obtener una respuesta de frecuencia del sistema dentro de los parámetros operativos. Así, la metodología propuesta minimiza el impacto del evento en la activación del DAC; todo esto tomando las ventajas que los convertidores electrónicos de potencia y en especial los controles de tipo grid-forming. Dicha metodología se presenta en este artículo en manera de tutorial, con el objetivo de que el lector sea capaz de replicarla.
Para poder implementar la metodología propuesta, es necesario modelar y simular el sistema eléctrico de potencia adecuadamente. En esta investigación, se utiliza la representación de las cantidades eléctricas del tipo fasorial en secuencia positiva para un sistema eléctrico de potencia. Para efectuar las simulaciones en el dominio del tiempo se ha empleado el programa de computación llamado ePHASORSIM® de la compañía OPAL-RT®. Para modelar los convertidores con sus controles grid-forming, se ha desarrollado una librería de modelos usando el lenguaje de programación Modelica®(Mattsson & Elmqvist, 1997). ePHASORSIM® permite la integración simple de modelos en simulación en tiempo real empleando el hardware de simuladores de OPAL-RT®.
En este trabajo, se empleó el sistema de potencia de prueba del WSCC 3-máquinas, 9-barras para probar la metodología propuesta. Este sistema ha sido empleado ampliamente en la literatura, y se considera uno de los sistemas estándar en el área de sistemas eléctricos de potencia. El sistema fue adaptado para incluir la dinámica electromecánica de las máquinas síncronas y sus controles.
Este artículo se estructura de la siguiente manera: en la sección 2 se introduce el modelo de convertidor a usar, así como las ecuaciones que describen los modelos de control a utilizar. En la sección 3, se presenta la metodología propuesta, desarrolla el problema de optimización a resolver, y se expone la forma general a seguir para resolverlo. La sección 4 expone una validación de la metodología, así como los resultados al aplicarla a un sistema con convertidores grid-forming; en la sección 5 se dan las conclusiones.
MODELADO DE CONVERTIDORES
En esta sección, se introducirá el modelo utilizado para modelar el convertidor.
2.1 Modelo RMS de un convertidor
Para esta investigación se ha decidido utilizar el modelo RMS de un convertidor electrónico de potencia conectado a la red del tipo Convertidor de Fuente de Voltaje (voltaje source converter, VSC). Este modelo se representa como una fuente de voltaje ideal controlada con una impedancia en serie (Z = R + jX ), y se muestra en la Figura 1.
Las entradas la fuente controlada de voltaje son Vm y ∠θm la magnitud en valores RMS del voltaje a ser sintetizado y el respectivo ángulo de fase del fasor. La corriente I es la corriente que entrega la fuente de voltaje, y VT y ∠θT son la magnitud y el ángulo del voltaje en terminales del convertidor. La resistencia R y la reactancia X de la impedancia en serie Z se calcula mediante las siguientes ecuaciones:

Figura 1 Circuito que representa el modelo RMS de un convertidor del tipo VSC mostrando el lazo de control para el tipo grid-forming
donde uk es la impedancia de cortocircuito en %, el cual se puede derivar de las impedancias en de los filtros del convertidor y del transformador de interconexión. El valor Pcu representa las pérdidas en el cobre en kW en los elementos del convertidor, y SB es la potencia base del sistema en MVA.
2.2 Controles grid-forming para convertidores
Los modelos de control denominados grid-forming se han planteado en la literatura científica como una opción válida para superar algunos de los retos de los sistemas de potencia con alta penetración de convertidores y baja participación de generadores sincrónicos, con un gran potencial para mejorar la respuesta de los convertidores ante disturbios del sistema (Habibullah et al., 2021).
El control del tipo grid-forming se puede realizar usando lazos de control de frecuencia y voltaje de los VSC. En la literatura científica moderna, se pueden encontrar múltiples propuestas para este tipo de control. En este trabajo, se ha decidido considerar los modelos de control de tipo grid-forming para VSC, los cuales se consideran como soluciones dominantes en los futuros sistemas de potencia:
Control droop (Rosso et al., 2021)
Máquina Síncrona Virtual (VSM) (Musca et al., 2022)
Synchronverter (Sync) (Deepak et al., 2019; Zhong & Weiss, 2011)
Oscilador virtual despachable (dVOC) (Ajala et al., 2021; Lu et al., 2021)
En las siguientes sub-secciones, se da una breve descripción de estos modelos de grid-forming, que incluye detalles de las ecuaciones necesarias para el modelado.
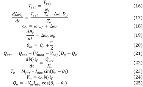
2.2.1 Control de droop
La base del control droop es emular el comportamiento del control primario de frecuencia que se utiliza en generador síncrono tradicional. El principio de control primario es que cualquier cambio en la potencia del sistema produce un cambio en la frecuencia, este cambio generalmente está dado por una pendiente establecida por una ganancia de regulación primaria (Kundur, 2017). Este es un control que ha demostrado ser útil para repartir la potencia activa entre múltiples unidades de generación considerando una desviación de la frecuencia. De manera similar, los ingenieros han tomado las ventajas aportadas por la simplicidad de este control para efectuar el control de la potencia reactiva y el voltaje. A continuación, se muestran las ecuaciones usadas para modelar el lazo de control de potencia activa control droop:
donde Pset es el punto de consigna de potencia en por unidad (pu), Pmea es la potencia activa medida en pu, Pact es la potencia activa medida con un retraso de tiempo Tp, mp es el droop de potencia activa, ∆ωr es la desviación de la velocidad angular en pu, ωb es velocidad angular base en rads/s, y θm es el ángulo del vector de tensión de secuencia positiva.
A continuación, se muestran las ecuaciones correspondientes a las ecuaciones del lazo de control de potencia reactiva:
donde Qset es el punto de ajuste de potencia reactiva en pu, Qmea es la potencia reactiva medida en pu, Qact es la potencia activa medida con un retraso de tiempo Tq, mq es el droop de potencia reactiva, ∆v es la desviación de voltaje, Vset es el punto de ajuste de voltaje y Vm es la magnitud del voltaje de secuencia positiva vector.
2.2.2 Máquina síncrona virtual (VSM)
La técnica de control denominada la máquina virtual síncrona (virtual synchronous machine, VSM) está basada en el intento de emular el comportamiento de una máquina síncrona, modelando la dinámica electromecánica en una versión reducida de la ecuación de oscilación de la máquina sincrónica (Zhong, 2016). A continuación, se muestran las ecuaciones usadas el control del tipo VSM:
La constante de tiempo Ta es la denominada constante de aceleración en la máquina sincrónica, y es conocido por la teoría de máquinas eléctricas que la constante de aceleración está relacionada con la denominada constante de inercia rotacional de la máquina H, (Ta = 2H). En algunos documentos científicos, se considera a H como la inercia del generador síncrono y puede denominarse constante de inercia virtual.
La ecuación de oscilación expandida incluye un término relacionado con el amortiguamiento de desviaciones de la velocidad. El amortiguamiento Dp se usa generalmente en el modelo clásico de la máquina síncrona y representa el cambio de carga proporcional al cambio de frecuencia. En el modelo VSM, la amortiguación Dp se puede emplear de manera similar al droop de frecuencia.
Algunos autores proponen que el control de voltaje del modelo VSM sea equivalente a un modelo de excitador proporcional simple. A continuación, se muestran las ecuaciones utilizadas para representar el control de voltaje de VSM:
donde Vmea es el voltaje medido en terminales del convertidor, Vact es el voltaje medido con un retraso de tiempo Tv, Kv es la ganancia del control de voltaje, Vx es una variable auxiliar limitada por Vmin y Vmax que son el valor máximo y mínimo del voltaje de salida V’ m, Vm es el voltaje de salida retrasado por Tlpf que es la constante de tiempo de respuesta del control.
2.2.3 Synchronverter
El control, denominado Synchronverter (SynC) (Zhong & Weiss, 2011), es considerado una técnica de control para habilitar a los VSC cómo grid-forming. Este control es similar al modelo VSM, ya que busca emular el comportamiento de un generador síncrono. El controlador Synchronverter también utiliza las ecuaciones de oscilación para controlar la frecuencia; sin embargo, en lugar de la potencia activa, el SynC utiliza los pares Tset y Te. El control SynC incluye una caída de control de potencia reactiva utilizada para regular el voltaje a través de la excitación de la máquina virtual. A continuación, se muestran las ecuaciones pertinentes al SynC:
donde Pset es el punto de consigna de potencia en pu, Te es el par eléctrico, Qe es la potencia reactiva, Iabs es la magnitud del fasor de corriente medido en el convertidor, θi es el ángulo del fasor de corriente, Mfif es la excitación simplificada de la máquina virtual, θr el ángulo del rotor virtual que retrasa el ángulo del fasor de voltaje por θm por π/2.
2.2.4 Oscilador virtual despachable (dVOC)
El modelo de control denominado dispatchable virtual oscillator (dVOC) es un control del tipo grid-forming para VSC inspirado en el control de oscilador virtual (VOC) (Dhople et al., 2013). Este control controla el VSC para emular la dinámica de amortiguamiento no lineal, como el oscilador Van der Pol (Lu et al., 2019).
Estos osciladores pueden generar oscilaciones periódicas, autosostenidas y estables, y cuando se aprovechan como controladores para convertidores, estos ofrecen sincronización sin comunicación y uso compartido de la potencia, así como regulación de voltaje y frecuencia. Sin embargo, es importante mencionar que el VOC no es capaz de controlar la potencia activa y reactiva inyectada por el VSC a la red, por lo que recientemente, se ha desarrollado el denominado VOC despachable (dVOC) (Ajala et al., 2021).
El controlador está compuesto por un circuito tanque LC resonante y fuentes de corriente y voltaje no lineales dependientes del estado. Los autores en Lu et al. (2021) derivan un modelo dinámico para controlar el voltaje y la frecuencia del modelo dVOC. Estas ecuaciones se presentan a continuación:
Se elige los factores de escala kv y ki como:
Al establecer la derivada
el modelo por unidad del dVOC queda definido como:
Sin embargo, al inspeccionar la ecuación para el control de voltaje, se puede ver que el voltaje en estado estable solo puede ser V = 1.00 pu debido a la relación cuadrática. Para solucionar esto, el voltaje base debe configurarse diferente al voltaje nominal, Vb ≠ Vnom. A partir de esto, las ecuaciones dinámicas del dVOC son las siguientes:
METODOLOGÍA DE OPTIMIZACIÓN DE PARÁMETROS
3.1 Métricas de frecuencia
La respuesta de la frecuencia estable de un sistema de potencia tradicional siguiente a un evento de pérdida de generación (o incremento de la demanda) se muestra en la Figura 2. La respuesta en frecuencia puede ser caracterizada por varios indicadores o métricas que definen la calidad de la respuesta.
Las métricas más comúnmente utilizadas son:
3.2 Planteamiento general de un problema de optimización
En esta investigación, se busca minimizar la desconexión de carga de un sistema de potencia durante un evento de baja frecuencia. Para lograr eso, se toma ventaja de la respuesta rápida y capacidad de regulación de frecuencia que ofrecen los convertidores electrónicos de potencia con control de tipo grid-forming. En tal sentido, es necesario formular apropiadamente el problema de investigación en forma de un problema de optimización matemática.
Un problema de optimización puede ser visto como maximizar o minimizar el valor de una función objetivo f(x). Esto se logra calculando los valores del vector de variables de control x, para el cual la función objetivo evalúa al valor máximo o mínimo.
Sin embargo, el problema típicamente incluye ciertas restricciones a fin de incluir condiciones adicionales que deben ser evaluadas. Las restricciones pueden ser formuladas matemáticamente en varias formas, pueden ser límites máximos y mínimos del vector x, o condiciones que se deben cumplir.
La forma general del problema de optimización se puede generalizar de la siguiente manera:
sujeto a:
donde b y b eq son vectores, A y A eq son matrices, c(x) y ceq (x) son funciones no lineales que devuelven vectores, por último, lb y ub son los límites inferiores y superiores de las variables que conforman al vector x.
3.3 Metodología Propuesta 1: Optimización de los ajustes DAC
La hipótesis de esta metodología es que los ajustes de los esquemas de DAC pueden ser óptimamente ajustados de manera tal que el valor total de la carga a ser desconectada sea minimizado considerando las restricciones operativas del sistema. La metodología propuesta en esta sección está inspirada en el trabajo presentado originalmente en Acosta et al. (2020) y Sanchez Gorostiza et al. (2020).
El objetivo del problema de optimización es reducir el total de la desconexión de carga en el sistema ((Ptot), manteniendo la frecuencia de estado estable (fss) posterior al evento, dentro de los límites operativos. En este estudio, se considera un esquema DAC que desconecta la carga por bloques escalonados. Dichos esquemas, actúan desconectando un valor de carga Pshed,i, utilizando una lógica de disparo cuando la frecuencia cae por debajo de un valor ajustado (f<fthr,i). La lógica de disparo va a actuar con un retraso de tiempo Td,i, que puede ser diferente para cada etapa del esquema DAC.
La optimización de la configuración de un esquema DAC permite tener una menor desconexión de carga ante grandes disturbios que causen un evento de baja frecuencia. Partiendo de esta idea, la función objetivo f(x) del problema de optimización se puede definir cómo el total de la desconexión de carga del sistema durante un evento de baja frecuencia:
donde Pshed,ij es el deslastre de la etapa i del esquema DAC j, ns es el número de etapas activadas del esquema DAC, y nr el número de esquemas de DAC.
El problema de optimización busca minimizar el deslastre de carga f(x), mediante la apropiada definición de las variables de control x.
Teniendo ya la función objetivo y el objetivo del problema de optimización, el siguiente paso es definir las variables de control.
Este estudio considera los límites operativos definidos por la norma PRC-006-SERC-02 (SERC, 2008). Siguiendo los lineamientos de esta norma, la primera etapa del esquema DAC debe actuar dentro del rango de frecuencia 59,3 Hz ≤f≤59,5 Hz. Para ajustar las etapas siguientes, estas deben tener actuar en un valor de fthr que tenga una diferencia respecto al ajuste anterior de al menos ∆fthr = 0,2 Hz, pero no más de ∆fthr = 0,5 Hz. En tal sentido, se tienen cuatro posibles variables de control para el problema de optimización que son Pshed, fthr, ∆fthr y Td. En este caso, se toman como variables de control Pshed, fthr, y ∆fthr, la variable Td no se considera, ya que tiene poco efecto sobre la función objetivo. Entonces, el vector de variables de control es definido de la siguiente manera:
Donde P shed es un vector que contiene cada valor de deslastre de carga, f thr es un vector con el primer valor de activación de cada esquema DAC, ∆f thr es un vector de deltas de frecuencia correspondientes a los valores de activación de las etapas del DAC, Nr es el número de etapas de los DAC.
Cómo siguiente paso, se utilizaron las recomendaciones de la norma PRC-006-SERC-02, para definir los límites superiores e inferiores, así como las funciones de desigualdad. La norma también da indicaciones para los retrasos de tiempo Td, mencionando que deben ser de al menos seis ciclos o 0,1s. Teniendo esto en cuenta, se definieron los límites superiores e inferiores de la siguiente manera:
Para finalizar se deben definir las desigualdades no lineales que debe respetar el algoritmo de optimización. Estas se definen considerando que la frecuencia de estado estable fss debe alcanzar un valor que se mantenga entre el rango de operación fss min ≤ fss ≤ fss max:
Por último, se agrega una desigualdad no lineal extra, esta se basa en que la norma PRC-006-SERC-02, no permite que el parámetro de la etapa final de un esquema DAC sea menor a 58,4 Hz.
Dónde Ns es el número de etapas del relevador.
La metodología propuesta 1 tiene la capacidad de optimizar los ajustes del esquema DAC para minimizar el deslastre de carga, pero no toma en consideración el posible uso de los convertidores equipados con control del tipo grid-forming. En la siguiente subsección se presenta una metodología donde los parámetros del control grid-forming son incluidos en el problema de optimización.
3.4 Metodología Propuesta 2: Optimización de los ajustes UFLS y parámetros de control grid-forming
En esta sección, los autores proponen una metodología original para incluir en el problema de optimización simultanea de los parámetros del esquema DAC y el control del tipo convertidores grid-forming, con el objetivo de la reducción de deslastre de carga en eventos de baja frecuencia. En esta propuesta la función objetivo es nuevamente definida como el total del deslastre de carga del sistema que fue definido previamente en la Ecuación (35) y se busca minimizar la función f(x) según lo establecido en la Ecuación (36).
Las variables de control empleadas en la optimización deben incluir los parámetros de interés del esquema DAC, según la Ecuación (37) y del control grid-forming. A manera de ejemplo se definen las variables controlables del modelo VSM presentado en la Sección 2,2,2.
El control VSM tiene como parámetros: la constante de inercia virtual Ta, la constante de amortiguamiento virtual Dp, y la constante de regulación de voltaje Kv. En esta investigación, se eligió utilizar las constantes Dp y Ta como variables de control. La razón tras esta decisión, es que se puede sintonizar el valor de Dp al valor de las constantes de regulación primaria si se define como Dp = 1/Rgfm. La constante de aceleración Ta del control VSM se puede incluir en el planteamiento del problema de optimización, especialmente para mejorar la respuesta en frecuencia del sistema en escenarios de baja inercia rotacional. En esta metodología, no se toman en cuenta los controles de voltaje de los convertidores grid-forming debido a que se están considerando como desacoplados los comportamientos de la frecuencia y el voltaje.
Entonces, el vector de variables de control se define de la siguiente manera:
Dónde R gfm y T a son vectores conformados por las ganancias de regulación primaria y de inercia virtual de los convertidores grid-forming. Para definir los límites inferiores y superiores del valor de R gfm se ha considerado lo establecido en el código de red mexicano (Energía, 2016), donde se recomiendan los siguientes valores:
Con esta modificación del vector de variables de control (x), y agregando los respectivos límites, se puede considerar este problema de optimización como una extensión del problema de optimización de parámetros del esquema DAC.
3.5 Implementación de la metodología optimización
Para formular y resolver el problema de optimización expuesto en las metodologías anteriormente propuestas, se ha implementado un esquema centrado en el uso del lenguaje de programación de MATLAB® El uso de MATLAB® se fundamenta, debido a que un objetivo a futuro es probar y demostrar las metodologías propuesta en tiempo real, usando la plataforma de modelación y simulación RT-LAB® de OPAL-RT®; la cual utiliza MATLAB® y SIMULINK®.
En la Figura 3, se muestra un diagrama general de la implementación para resolver el problema de optimización. La interfaz utiliza diferente software de modelado y simulación, permitiendo que a futuro pueda ser expandida fácilmente. Para modelar los convertidores grid-forming, se ha utilizado el software OpenModelica®, el cual cuenta con la habilidad de exportar los modelos desarrollados en formato ‘fmu’. Posteriormente, estos modelos pueden ser integrados de manera sencilla al simulador de transitorios electromecánicos ePHASORSIM® y así ser resueltos en régimen dinámico. A su vez, ePHASORSIM® es una librería para el software SIMULINK® que está incluida en la plataforma de simulación RT-LAB®. Al operar dentro de SIMULINK®, se pueden también utilizar bloques de SIMULINK® para hacer control de elementos del sistema de potencia. En este caso, el esquema DAC ha sido modelado dentro de SIMULINK®, y para calcular la frecuencia de los buses del sistema, se está utilizando un bloque de SIMULINK® que utiliza la derivada del ángulo de fase para estimar la frecuencia de cada bus. Esta señal de frecuencia es utilizada para evaluar los disparos de los esquemas de DAC.
4. RESULTADOS
En esta investigación, se utiliza un reconocido sistema de prueba con todos los detalles de modelación para incluir la dinámica electromecánica del sistema. Dicho sistema es WSCC 3-máquinas, 9-barras conocido como el sistema de P.M Anderson, que fue introducido en el libro Estabilidad y Control de Sistemas de Potencia (Anderson & Fouad, 2003). Dicho modelo representa un sistema de transmisión que consiste de 9 barras, 3 generadores, 6 líneas, 3 transformadores y 3 cargas. La red ha sido ampliamente utilizada en la academia para probar nuevas teorías y conceptos, y en software tanto abiertos, como comerciales para validación de modelos.
Posteriormente, se mostrarán los resultados de dos casos de estudios. En el Caso 1, inicialmente, se valida el funcionamiento de la metodología de optimización solamente para ajustar los parámetros de los esquemas DAC en el sistema de 9 barras operando con máquinas síncronas. Luego, se procede a probar y validar la metodología en el sistema, pero con la inclusión de convertidores grid-forming. En el caso 2, se utilizará el mismo sistema de prueba, pero se buscará optimizar simultáneamente los parámetros de los esquemas DAC y los parámetros de los convertidores grid-forming.
4.1 Caso 1: Optimización de parámetros de esquemas DAC
Inicialmente, se valida la metodología propuesta usando el sistema WSCC 9-barras. En este studio, se utiliza una versión modificada de la originalmente propuesta por el Prof. Fouad, las modificaciones consisten en utilizar el modelo de máquina síncrona llamado GENROU para modelar los generadores; dicho modelo es equivalente al Modelo 2,2 en Machinery Committee of the IEEE Power (2019), cuando se consideran las reactancias subtransitorias xd'' y xq'' tienen el mismo valor. Se agregan controles a los generadores, en este caso se utilizan EXST1 y TGOV1 para el excitador y el gobernador, respectivamente. Estos modelos se seleccionan porque están bien documentados en la literatura, son fáciles de
implementar y están incluidos en la mayoría de los softwares de simulación, facilitando así la reproducción de los resultados. Los diagramas de bloques y la documentación de los modelos dinámicos mencionados anteriormente se pueden encontrar en (OPAL-RT Technologies, 2023; PowerWorld Corporation, n.d.). Se plantean dos escenarios para este caso de estudio:

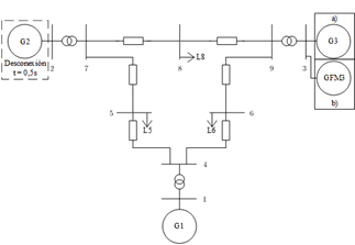
Figura 4 Diagrama unifilar del sistema WSCC 9-barras. Se desconecta el generador G2 en t = 0,5s, y el generador conectado a la barra 3 se considera cómo a) generador síncrono en el Caso 1, Escenario 1, y b) convertidor grid-forming para el Caso 1, Escenario 2 y el Caso 2.
Escenario 1: Optimización de esquemas DAC en un sistema con generación síncrona. Se optimizan los esquemas DAC incluyendo solo la dinámica electromecánica de las máquinas. La idea de este escenario es verificar la validez de la metodología y la implementación, demostrar que el concepto funciona. Este escenario tiene como objetivo mostrar la evolución de la frecuencia en el tiempo al ocurrir un disturbio en la red. La simulación consiste en la desconexión repentina de la máquina G2 en el tiempo t = 0,50s, la simulación termina en t=20,00s y el paso de tiempo es de ∆t=0,001s. Esto se traduce en una pérdida de generación P = 163,00 MW, y Q = 6,65 Mvar. La reserva de potencia activa entre las máquinas G1 y G3 es de P = 293,53 MW. En este caso, se realiza una optimización de la configuración del esquema de DAC para sistema de 9 barras operando con máquinas síncronas. Este sistema de prueba cuenta con tres cargas, las cargas se ubican en los buses 5, 6, y 8. Cada carga contará con un esquema DAC a ser optimizado, y se llamarán L5, L6, y L8, respectivamente. Para este caso de optimización, las condiciones iniciales de los esquemas DAC se muestran en la Tabla 1.
En la Figura 4, se muestra la evolución del algoritmo de optimización en cada iteración. El deslastre de carga final es de Pshed = 1,26495 pu de la carga, lo que representa un deslastre de 126,495 MW de potencia activa, para mantener la frecuencia de estado estacionario dentro de los límites preestablecidos de 59,5 Hz < fss < 60,5 Hz, y se respeta los límites de las variables de optimización presentadas en las ecuaciones (40-42).
En la Tabla 2, se muestran los resultados finales de los parámetros óptimos de los esquemas DAC.
Escenario 2: Optimización de DAC en un sistema con convertidores grid-forming, sin optimizar parámetros de control. En este escenario, se realizarán simulaciones de optimización de esquemas DAC, con la diferencia de que se reemplaza un generador síncrono por un convertidor grid-forming. La simulación es la misma que en el caso pasado, y consiste en la desconexión repentina de la máquina G2 en el tiempo t = 0,50s, la simulación termina en t=20,00s y el paso de tiempo es de ∆t=0,001s. A esto se le agrega que el G3 es cambiado por un convertidor grid-forming llamado GFM3.
Se aplicarán diferentes controles grid-forming a GFM3 con el objetivo de analizar cómo difiere la solución óptima al incluir diferentes dinámicas de control. Los controles grid-forming se sintonizaron para que se tenga una respuesta similar al generador síncrono G3. Las condiciones iniciales del esquema DAC son las mismas que en la Tabla 1.
En la Tabla 3, se muestran los resultados de las optimizaciones antes mencionadas. En algunos casos, los resultados de la metodología de optimización se ajustan parámetros de la tercera etapa de los esquemas de DAC. Esto debido a que durante las primeras iteraciones se llegaba a superar la frecuencia de operación de la tercera etapa, pero en los casos finales no es necesaria su activación. Esto debido a que se están optimizando los parámetros de la frecuencia de activación de las etapas en conjunto con la desconexión de carga por etapa.
Se puede observar que la desconexión de carga final es similar al Escenario 1. Esto valida dos puntos: 1) La metodología es aplicable a casos con máquinas síncronas y convertidores grid-forming. 2) Los convertidores grid-forming son capaces de emular satisfactoriamente el comportamiento de una máquina síncrona. La única excepción a este caso es el control dVOC, el cual está diseñado para proveer una respuesta más rápida ante disturbios, reduciendo así la carga desconectada.
4.2 Caso 2: Optimización de parámetros de esquemas DAC y de parámetros de convertidores con control grid-forming
Este caso busca validar la propuesta de la metodología de optimización de parámetros de convertidores con control grid-forming presentada en la Sección 3,3. En esta situación, se realizarán dos escenarios. El escenario será el mismo que en el Caso 1, pero se reemplazaron los generadores síncronos G1 y G3 por dos convertidores grid-forming a los que se llamó GFM1 y GFM3. Estos convertidores estarán operando con control VSM y sus controles serán sintonizados para emular los generadores reemplazados. En el primer escenario solamente se optimizarán los parámetros de los esquemas de DAC, con el objetivo de tener una comparativa de la optimización sin incluir los parámetros de control grid-forming. En el segundo escenario se incluyen los parámetros de los convertidores grid-forming, y a su vez, se optimizan los parámetros de los esquemas de DAC.
Con el objetivo de realizar una comparación, en la Tabla 4 se muestran los resultados de estos dos escenarios. Al incluir los parámetros de convertidor en el problema de optimización, se observa una desconexión de carga menor en comparación al caso sin optimización de parámetros. La diferencia entre ambos es de ∆P = 20,00 MW, lo que significa una reducción de 15,84 % en el deslastre de carga en comparación al caso sin optimización de parámetros. En ambos escenarios, se llega al mismo valor de frecuencia de estado estable de fss = 59,50 Hz.
En la Figura 6, se muestra la desconexión de carga para ambos resultados de la optimización. Con estos resultados, se concluye que la metodología de optimización propuesta es capaz de minimizar la cantidad de carga desconectada en eventos de baja frecuencia. La razón es que, al incluir los parámetros de los convertidores en el problema de optimización, se está tomando ventaja de la capacidad de los convertidores para responder de manera rápida ante eventos de baja frecuencia.
Con estos resultados, se concluye que la metodología de optimización propuesta es capaz de minimizar la cantidad de carga desconectada en eventos de baja frecuencia. La razón es que, al incluir los parámetros de los convertidores en el problema de optimización, se está tomando ventaja de la capacidad de los convertidores para responder de manera rápida ante eventos de baja frecuencia.
5. CONCLUSIONES Y TRABAJO FUTURO
Este artículo científico presenta una metodología de optimización simultánea de los parámetros de los esquemas DAC y de los convertidores grid-forming en sistemas de baja inercia rotacional. El objetivo es reducir el deslastre de carga en un sistema de potencia después de un evento de baja frecuencia. Como resultado de la aplicación de esta metodología, se obtiene un menor deslastre de carga al ocurrir disturbios de baja frecuencia, y se evita así la desconexión excesiva de carga, y se valida efectivamente la hipótesis.
Cómo comparación con el estudio realizado por Sanchez Gorostiza et al. (2020), se centra en la optimización de parámetros de clústeres de vehículos eléctricos (EVs) para proporcionar una respuesta de frecuencia rápida (FFR) en sistemas de potencia con niveles decrecientes de inercia rotacional. Una diferencia importante es la filosofía de modelado utilizada en el artículo mencionado, la cual se enfoca en modelar el sistema de potencia usando un modelo de orden reducido, mientras en el trabajo presente se utiliza un modelado completo en secuencia positiva con modelos más elaborados, tanto de los convertidores, cómo de la red. Aunque ambos estudios comparten un enfoque en la optimización de parámetros con objetivo de la reducción de deslastre de carga, el estudio presentado en este artículo se centra en la optimización simultánea de los parámetros de los esquemas de desconexión automática de carga (DAC) y los convertidores grid-forming.
Mirando hacia el futuro, se podría expandir los modelos de los convertidores para incluir también un modelo de la fuente de energía, ya sea almacenamiento de energía o fuentes renovables. También, se pueden considerar otros tipos de técnicas de optimización y modelado para reducir el tiempo computacional. Además, se reconoce que el modelo de los convertidores podría mejorarse si asimismo, se incluyen los limitadores de corriente. Igualmente, se podría utilizar alguna técnica matemática, para detectar previo a la optimización, qué generadores aportan más a la frecuencia durante el disturbio, y enfocarse en esos durante el proceso de optimización, reduciendo el costo computacional del algoritmo.















































